Untitled-25
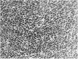
The Beauty of our Tempered/Toughened Glass is that if the glass ever does break - It is Engineered to break into Crumble sized pieces!
Untitled-24


Untitled-26Untitled-27


Logo
Click here to contact us!